BAB 2     METER ARUS TERUS

2.1    :  BINAAN DAN FUNGSI METER MKGB
2.2    :  METER AMPIAR A.T.
2.2.1 :  METER AMPIAR A.T. ASAS
2.2.2 :  METER AMPIAR A.T. BERBILANG JULAT
2.2.3 :  KESAN SISIPAN METER AMPIAR
2.3    :  METER VOLTAN A.T.
2.3.1 :  METER VOLTAN A.T. ASAS
2.3.2 :  METER VOLTAN A.T. BERBILANG JULAT
2.3.3 :  KESAN BEBAN METER VOLTAN
2.4    :  METER OHM
2.4.1 :  METER OHM SAMBUNGAN SIRI
2.4.2 :  METER OHM SAMBUNGAN SELARI
2.4.3 :  METER OHM BERBILANG JULAT
 

2.1  BINAAN DAN FUNGSI METER MKGB

        Meter pesongan yang didapati sekarang adalah jenis meter Magnet Kekal Gelung Bergerak
 (MKGB) atau dikenali meter d’Arsonval iaitu instrumen elektromagnetik. Meter MKGB adalah meter
 untuk mengukur arus terus dalam unit µA atau mA. Dengan melakukan modifikasi, meter MKGB
 boleh digunakan untuk mengukur arus dan voltan (at dan au) dengan julat yang lebih besar dan boleh
 juga direkabentuk bagi pengukuran rintangan.
        Rajah 2.0 menunjukkan binaan meter asas MKGB:

                                                                                    Rajah 2.0

 magnet kekal yang berbentuk ladam kuda dengan 2 besi lembut yang bertindak sebagai
 kutub utara dan selatan
 teras dari besi lembut berbentuk selinder terletak antara dua kutub
 wayar halus dibelitkan pada satu kerangka logam yang ringan yang diletakkan disekeliling
 teras dan ia boleh berputar dengan bebas
 penunjuk dilekatkan pada gelung bergerak dan ia akan terpesong bila gelung berputar.

     Operasi:

 arus yang hendak diukur dialirkan melalui lilitan gelung bergerak
 gelung akan menjadi elektromagnet yang mempunyai kutub-kutub utara dan selatan
 interaksi diantara kutub-kutub magnet kekal dengan kutub-kutub yang terbentuk menyebabkan
 gelung akan berputar
 penunjuk akan bergerak diatas skalar jika arus mengalir arah yang betul.
 

2.2     METER AMPIAR A.T.

 2.2.1     METER AMPIAR A.T. ASAS

 Litar meter ampiar asas di Rajah 2.1

                                                                           Rajah 2.1
 di mana:
 Rm : Rintangan dalam meter MKGB

 Rsh : Perintang pirau (shunt)

 Im : Ipsp : Arus pesongan skala penuh meter MKGB

 Ish : Arus pirau

 I : Arus pusingan skala penuh meter ampiar (julat meter ampiar)

 Fungsi Rsh: meninggikan julat arus yang boleh dibaca oleh meter dan memberi jalan altenatif
 kepada arus I, ini akan melindungi meter MKGB dari arus tinggi.
 Analisis litar:
 Vm = Im Rm, Vsh = Ish Rsh

 Vsh = Vm
 

 Faktor pekali (n) menunjukkan arus I yang diukur bernilai n kali arus Im atau

 Contoh:
 Kira nilai perintang pirau yang diperlukan untuk menukarkan meter MKGB 1mA dengan
 rintangan dalam 100 kepada meter ampiar 0 - 100mA.

IM = 1mA
RM = 100
I = 100mA
ISH = I - IM
     = 100 mA - 1mA = 99mA
IMRM = ISHRSH
maka RSH = [1mA(100)]/99mA
                = 1.01 #

 Contoh:

 Satu meter MKGB 100µA dengan rintangan dalam 1k digunakan dalam meter
 ampiar 0 - 100mA. Tentukan nilai perintang pirau yang diperlukan.
 

 2.2.2  METER AMPIAR A.T. BERBILANG JULAT JENIS
       PIRAU AYRTON

 Rajah 2.2 meter ampiar berbilang julat jenis pirau Ayrton. Rekabentuk lebih praktikal dan banyak
 di pasaran


                                                                                 Rajah 2.2
 Menentukan nilai setiap perintang pirau:
 Dari litar:

 Pada julat J1:
 Rsh = Ra + Rb + Rc selari dengan Rm, I1 = I - Im
 
 

 I1 (Ra + Rb + Rc) = Im Rm

 Pada julat J2:

 Rc + Rb selari dengan Rm + Ra, I2 = I - Im
 I2 ( Rc + Rb) = Im (Rm + Ra)                     (**)

 Pada julat J3:

 Rc selari dengan Rm + Rb + Ra, I3 = I - Im

 I3 (Rc) = Im (Rm + Rb + Ra)

 Boleh gunakan kaedah penyelesaian persamaan serentak bagi menentukan nilai Ra, Rb dan Rc
 penyelesaian secara umum bagi mendapatkan nilai Ra, Rb dan Rc iaitu dengan menyelesaikan
 rumus (*) dan (**) akan menghasilkan:

 Contoh:
 Kirakan nilai perintang-perintang pirau Ra, Rb dan Rc


                                                                                 Rajah 2.3
RSH = Ra + Rb + Rc
n = I/IM
   = 100
RSH = RM/n-1 = 1000/(100-1) = 10.1
Rc + Rb = IM(RM RSH)/I2
             = 0.0001(1000 + 10.1)/0.1
             = 1.01
Rc = IM(RM + RSH)/I3
    = 0.101 #
maka, Rb = 1.01 - 0.101
               = 0.909 #
          Ra = RSH - (Rc + Rb)
               = 10.1 - 1.01 = 9.09 #
 

 2.2.3 KESAN SISIPAN METER AMPIAR

 Semasa pengukuran meter ampiar disambung secara siri dalam litar yang arusnya hendak
 diukur. Meter ampiar mempunyai rintangan dalam yang bernilai rendah bagi meter berjulat tinggi
 (A) dan bernilai tinggi bagi yang berjulat kecil (µA).

 Menyisipkan meter aampiar dalam litar bermakna menambahkan rintangan litar maka arus dalam
 litar akan berkurangan.

   a)


   b)

                                           Rajah 2.4

 maka,

 


 
 
 

2.3     METER VOLTAN A.T.

 2.3.1     METER VOLTAN A.T. ASAS

 Litar asas binaan:

                                                   Rajah 2.5

  Bagi membina meter voltan dengan julat maksimum (V) tertentu, perintang Rs perlu ditentukan. Dari litar:
        V = (Rs + Rm) Im
 Kepekaan meter ;

 Maka:

 Jumlah rintangan meter volt :RT = (Rs + Rm) = S x V = (kepekaan x julat)
 Contoh:

 Tentukan nilai rintangan pekali bagi meter voltan a.t julat 50V yang menggunakan meter MKGB
 500µA dan Rm = 1k

 Penyelesaian : 50 V = ( Rs + 1k ohm ) 500 mikro A

 Rs = 99k #
 

 2.3.2 METER VOLTAN A.T. BERBILANG JULAT

 Rekabentuk sambungan perintang secara siri lebih kerap digunakan secara komersial ialah:

                                                                                 Rajah 2.6
 Pada julat 3V:
 3V = (R1 + 1k) 50µA

 R1 = 59k #
 

 Pada julat 10V:

 10V = (R2 + 59k + 1k) 50µA

 R2 = 140k #
 

 Pada julat 30V:

 30V = (R3 +140k + 59K + 1k) 50µA

 R3 = 400k #
 

 2.3.3 KESAN BEBAN METER VOLTAN

        Semasa pengukuran meter voltan adalah disambung secara selari merentangi bahagian
 yang hendak diukur . Kesan  meletakkan meter voltan ini mengurangkan voltan merentangi
 bahagian tersebut. Ini adalah kerana meter voltan mempunyai rintangan dalamnya tersendiri.
 Kesan ini dipanggil kesan bebanan meter voltan. Kesan beban ini bergantung kepada kepekaan
 meter dan julat meter atau jumlah rintangan dalam meter itu sendiri.
 Contoh:

 Dua buah meter voltan iaitu meter A dan meter B digunakan untuk mengukur voltan merentangi
 perintang R2 (Rajah 2.7). Meter-meter tersebut mempunyai spesifikasi :

 Meter A : S = 1k/V , Rm = 0.2k, Julat : 10V

 Meter B : S = 20k/V , Rm = 1.5k, Julat : 10V

 Kirakan:

 Voltan merentangi R2 tanpa disambung dengan meter
 Voltan merentangi R2 apabila meter A digunakan
 Voltan merentangi R2 apabila meter B digunakan
 Ralat dalam bacaan meter voltan bagi setiap meter

                               Rajah 2.7
(i) V merentangi R2 = [5/(25 + 5)] x 30
                              = 5V #
(ii) RT = S x V
          = 1000 x 10
          = 10k
     RS = (5 x 10)/(5 + 10)
          = 3.33k
     VRB = 30[3.33k/(25k + 3.33k)]
            = 3.53V #
(iii) RT = S x V
           = 20k x 10
           = 200k
      RS = (5 x 200)/205 = 4.88k
     VRB = 30[4.88k/(25k + 4.88k)]
            = 4.9V #
(iv) Ralat = [(5 - 3.53)/5] x 100% = 29.4% #

      Ralat = [(5-4.9)/5] x 100% = 2% #
 
 
 

 (JWP: 5V, 3.53V, 4.9V, 29.4%, 2%)
 

2.4     METER OHM

 2.4.1 METER OHM SAMBUNGAN SIRI

 Terdiri daripada bateri meter MKGB dan perintang

 Litar asas seperti Rajah 2.8 menunjukkan sebuah meter ohm sambungan siri

                                         Rajah 2.8
 Sebelum nilai Rx diukur, meter ohm biasanya disifarkan terlebih dahulu.
Definasi ‘disifarkan’ : melitar pintaskan terminal X-Y dan melaraskan Rz bagi menghasilkan
 Ipsp pada meter MKGB
 Ipsp = V/ (Rz + Rm)
 Untuk mengukur Rx sambungkan ia pada terminal X-Y;
 I  = V/ (Rz + Rm + Rx)
 Hubungan antara pesongan meter daripada skala penuh (P) dengan nilai Rx:

 Contoh :
 Suatu meter MKGB dengan pesongan skala penuh 1mA digunakan dalam litar meter ohm.
 Meter MKGB mempunyai rintangan dalam Rm = 100. Bateri 3V digunakan dalam litar tersebut.
 Tandakan permukaan meter untuk membaca nilai perintang.
 Jawapan :


 Skala meter ohm adalah sangat tidak linear.
 Pada pesongan separuh skala penuh 50%, didapati nilai Rx = jumlah rintangan dalam meter ohm
 (RT = Rz + Rm)

 Bagi pengukuran nilai rintangan yang kecil Rx < 100 meter jenis sambungan ini tidak dapat
 beroperasi dengan sebaiknya. Biasanya digunakan jenis sambungan selari yang juga dipanggil
 meter ohm pirau (shunt ohmmeter)
 

 2.4.2 METER OHM SAMBUNGAN SELARI

 Contoh 1:

 Litar asas meter ohm sambungan selari:


                                                                                    Rajah 2.9
 Meter MKGB yang digunakan jenis mA atau &micro;A. R1 untuk menghadkan arus melalui meter
 dan kebanyakan mungkin terdiri dari dua perintang iaitu jenis boleh ubah dan yang tetap seperti di
 litar iaitu R2 dan R1. Perintang boleh ubah fungsinya sama sebagai pelaras sifar.

 Biasanya R1Rm (R1 = 100 X Rm) supaya sebarang perintang yang tidak diketahui apabila
 disambung selari dengan meter akan mempengaruhi arus yang kecil.

 I1: arus apabila tiada sambungan perintang Rx

 I2: arus yang mengalir bila Rx disambung antara terminal A-B
 

 Contoh 2:

                                         Rajah 2.10

 Untuk membina meter Ohm jenis ini akan ditentukan nilai R2 terlebih dahulu sebelum memilih
 R1 yang bersesuaian. Fungsi R2 adalah sebagai pelaras sifar. Caranya:
 Jika Rm = 2kW , Im = 50m A dan E = 1.5V, pintaskan XY (Rajah 2.11), maka R2 = 28kW

 Pilih R1 jauh lebih kecil berbanding rintangan Rm + R2 di atas dan sambungkan selari dengan meter
 (Rajah 2.12).
 

 Ini adalah kerana jika: R1 <<<< ( Rm + R2 ) supaya apabila R1 // ( Rm + R2 ) &raquo; R1

 Contoh : ambil R1 = 10W

 Pintaskan X-Y maka didapati pesongan adalah 100%. Kerana R1 <<<< ( Rm + R2 ) dan apabila
 R1 // ( Rm + R2 ) &raquo; R1 , seolah-olah rintangan keseluruhan meter adalah 10W
 Jika pada X-Y diletakkan perintang 10W didapati penunjuk akan terpesong 50%. Kerana
 dengan andaian rintangan meter 10W di atas maka:

 Ini membolehkan kita mereka meter Ohm untuk mengukur nilai rintangan yang rendah dan seterusnya
 meter Ohm berbilang julat.
 

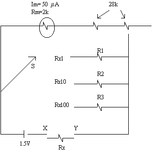
 2.4.3 METER OHM BERBILANG JULAT

        Binaan meter Ohm berbilang julat berdasarkan Rajah 2.10. Berasaskan meter satu julat ini dengan
 data-data dari contoh yang telah dibincangkan, rekabentuk meter berbilang julat (3 julat) ditunjukkan
 dalam Rajah 2.13.


                                                                                     Rajah 2.13

 Kaedah untuk mendapatkan Rz telah ditunjukkan di atas. Pada Julat X1 iaitu merupakan julat asas
 meter yang juga skala meter akan menunjukkan pesongan 50% jika Rx yang diukur adalah 10 jika R1
 yang digunakan adalah 10 (telah ditunjukkan cara kerja). Dengan ini bagi menetukan R2 dan R3 adalah :
 

 Jika S pada julat RX10: Jika pesongan penunjuk 50%, sedah pasti rintangan yang sedang diukur adalah
 10 X 10 = 100. Nilai ini sama dengan jumlah rintangan meter Ohm itu sendiri. Maka dari:


 

 Nilai R2 adalah 100
 Jika S pada julat RX100: Jika pesongan penunjuk 50%, sudah pasti rintangan yang sedang diukur
 adalah 10 X 100 = 1000. Dengan cara yang sama dengan RX10, akan diperolehi nilai R3 yang diperlukan
 adalah 1000.
 
 
 
 

                                                         KEMBALI KE MAIN PAGE